高分辨冷场发射扫描电子显微镜(Regulus 8220)及冷冻扫描前处理系统

Regulus8220冷场扫描电镜是集冷场扫描电子束系统、高分辨观察和大束流分析功能于一体的扫描电镜,其具有电子束直径小,亮度高,影像分辨率优的特点,且该电镜大幅提高了探针电流,并极大增强了电流的稳定性,可实现自动flash,无需等待。这些优点使得其在低加速电压下具有长时间连续实现高分辨观察和分析的功能。该电镜可用于各种材料的组织形貌、微区结构、断口形貌等高分辨率观察、表征与分析,在特定条件下可直接观察绝缘及导电性差的样品形貌与结构。该仪器具有超高分辨率特点,最高分辨率可达0.6nm。

该电镜搭载Quorum PP3010T冷冻扫描前处理系统,能够对含水(溶剂)样品进行成像和分析,实现对于液态样品(如溶液、乳液、囊泡等)、含水样品(水凝胶、生长与水凝胶表面的细胞、真菌等)、不耐电子束损伤样品(生物纳米材料、催化剂、石墨烯材料、电池膈膜等)以及不宜进行常温制样脱水的样品(如植物表面蜡质)的微观形貌的观察。
在冷冻扫描电镜观察前,液态样品经过低温冷冻固定、断裂、镀膜(喷金/喷碳)等制样处理后,再通过冷冻传输系统将其置于电镜内的冷台(温度可至-185℃)即可进行观察。
18luck备用登录电镜室可提供常温扫描及冷冻扫描全套制样及观察服务,拥有经验丰富的教师,可为师生及科研工作者提供可靠且有效的电镜实验方案、数据分析方案、及实验解决方案,具有较高专业水平,所有委托检测均依照国家相关法律法规要求,严格遵循知识产权保护制度。以下为18luck备用登录电镜室部分服务展示(已获得课题组同意使用图片):


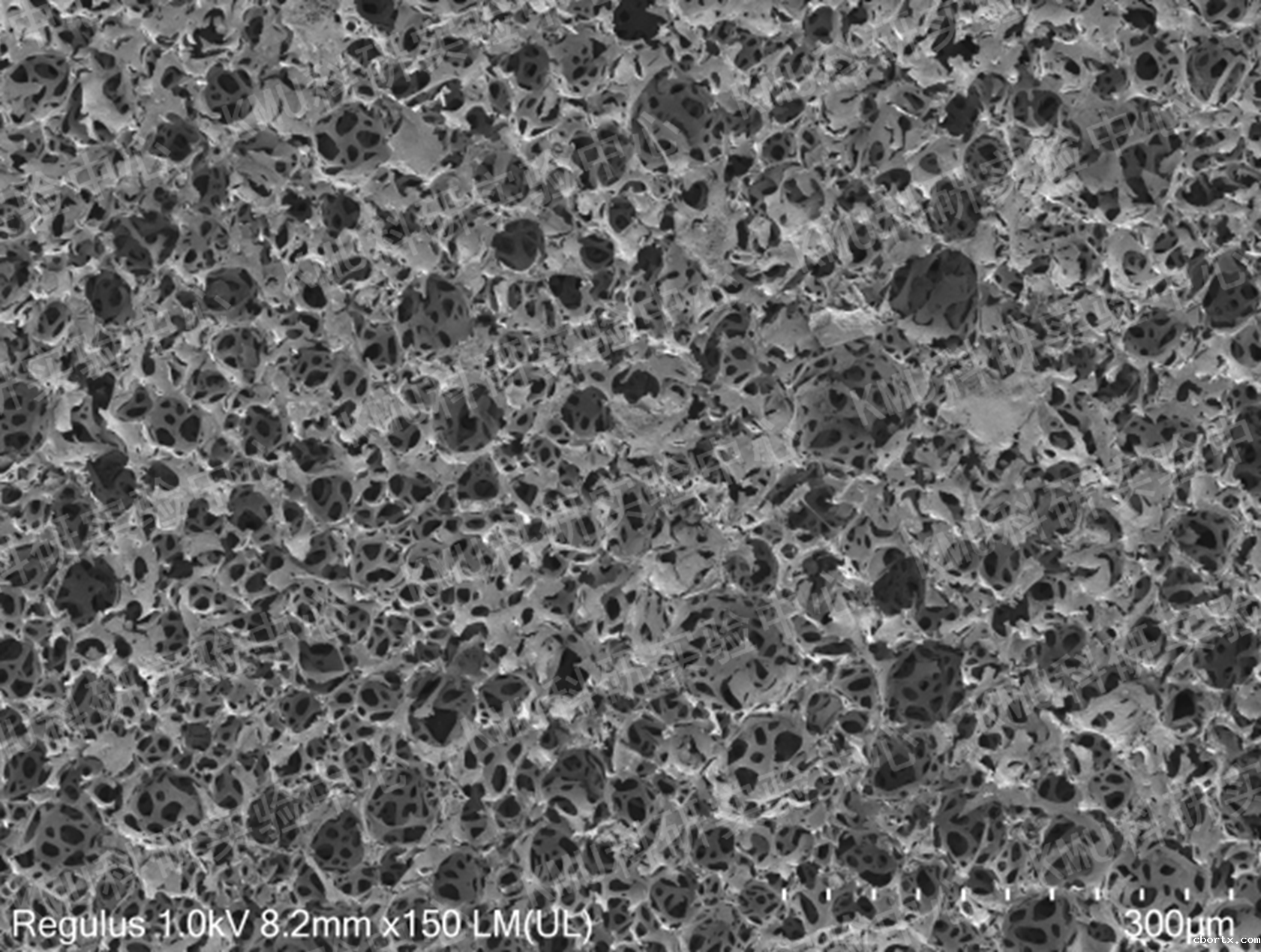
常温扫描:

 李斯特菌 (大理大学 杨德志课题组)

真菌孢子(云南大学生命科学院 省部共建云南生物资源保护与利用国际重点实验 杨金奎课题组)

 聚乳酸纺丝膜处理过后的巨噬细胞(18luck备用登录第一附属医院 何飞课题组)

生物支架(中国科学院医学生物研究所  刘龙丁课题组)


冷冻扫描:

兰科植物花瓣的气孔(广西大学林学院 李佳蔚)

昆虫细胞外囊泡(贵州大学  刘佳玲)

联系方式

  • 联系地址:昆明市呈贡区雨花街道春融西路1168号
  • 联系电话:0871-65922555  联系邮编:650500
关注微信公众号
关注新浪微博
Copyright (c) 2007-2025  18luck备用登录  滇ICP备05001248号-2
滇公网安备 53011402000299号
Baidu
luck官网下载安卓